Poptávky 3D tisku, workshopů atd.
od prochazkao » 26.11.2017 21:03
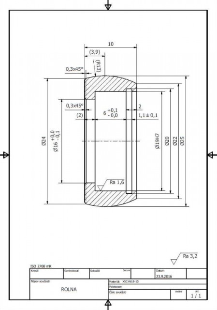
Ahoj, našel by se dobrovolník, který by mi překreslil v cadu pouzdro na ložisko, abych si ho mohl vytisknout.
Zatím vše, co jsem potřeboval, jsem si vymodeloval ve srandě nazvané tinkercad

ale na toto je určitě krátký.
Nevím, jak bych tam udělal ty radiusy....
Byl bych za to moc vděčný, tak třeba se někdo takový najde.
Děkuji předem.
Ondra

- rolna.jpg (39.4 KiB) Zobrazeno 20279 krát
-
prochazkao
-
- Příspěvky: 181
- Registrován: 02.10.2017 11:36
- Bydliště: Ostrava
- Reputation: 0
-
od honzahs » 26.11.2017 21:19
jdu na to

Rebel II, Rebel SCUBE 300x300x475, Rebel SCUBE MultiMaterial(4) 350x220x210
Mám o kolečko víc

-
honzahs
-
- Příspěvky: 116
- Registrován: 12.01.2017 17:43
- Bydliště: Vsetínsko, Zlínsko
- Reputation: 0
od honzahs » 26.11.2017 21:34
Tady to máš

Ať slouží

-
rolna.stl
- rolna
- (135.04 KiB) Zobrazeno 20262 krát
Rebel II, Rebel SCUBE 300x300x475, Rebel SCUBE MultiMaterial(4) 350x220x210
Mám o kolečko víc

-
honzahs
-
- Příspěvky: 116
- Registrován: 12.01.2017 17:43
- Bydliště: Vsetínsko, Zlínsko
- Reputation: 0
od bahora » 26.11.2017 22:01
Přikládám i zdorják z FreeCADu narychlo od ruky, abych vyhrál první cenu

- Přílohy
-
rolna.fcstd
- (16.59 KiB) 466 krát
-
bahora
-
- Příspěvky: 245
- Images: 1
- Registrován: 23.11.2016 01:12
- Reputation: 0
od honzahs » 26.11.2017 22:07
Jen si hrej

mě je to jedno.
Rebel II, Rebel SCUBE 300x300x475, Rebel SCUBE MultiMaterial(4) 350x220x210
Mám o kolečko víc

-
honzahs
-
- Příspěvky: 116
- Registrován: 12.01.2017 17:43
- Bydliště: Vsetínsko, Zlínsko
- Reputation: 0
od MichalG » 26.11.2017 22:11
bahora píše:Přikládám i zdorják z FreeCADu narychlo od ruky, abych vyhrál první cenu

rolna.stl
chybi ti tam vnejsi zkoseni
nechci rypat ale jeden z vas ma blbe rozmery
Naposledy upravil
MichalG dne 26.11.2017 22:15, celkově upraveno 1
Nabizim tistene dily
-
MichalG
-
- Příspěvky: 393
- Images: 0
- Registrován: 28.03.2017 23:15
- Reputation: 2

od prochazkao » 26.11.2017 22:14
Hoši hoši, tak toto jsem nečekal!! Jste opravdu rebelové.

Jestli se ještě mohu zeptat třeba tebe Petře, v čem jsi to kreslil?
EDIT: neumím číst, jasně FreeCAD
DĚKUJI !!!!!
Naposledy upravil
prochazkao dne 26.11.2017 22:15, celkově upraveno 1
-
prochazkao
-
- Příspěvky: 181
- Registrován: 02.10.2017 11:36
- Bydliště: Ostrava
- Reputation: 0
-
od bahora » 26.11.2017 22:15
jo koukám, úplně jsme jej přehlédl a navíc utekl mi tam i jedne rozměr.
jinak to skosení stejně nevytiskne
-
bahora
-
- Příspěvky: 245
- Images: 1
- Registrován: 23.11.2016 01:12
- Reputation: 0
od bahora » 26.11.2017 22:17
prochazkao píše:Hoši hoši, tak toto jsem nečekal!! Jste opravdu rebelové.

Ale u mne podle hesla, "práce kvapná, málo platná" nemám to dle zadání, tiskni ten první model, stydím se

-
bahora
-
- Příspěvky: 245
- Images: 1
- Registrován: 23.11.2016 01:12
- Reputation: 0
od prochazkao » 26.11.2017 22:22
honzahs píše:Tady to máš

Ať slouží

rolna.stl
Děkuji moc HONZO, jak se ti mohu odvděčit?
-
prochazkao
-
- Příspěvky: 181
- Registrován: 02.10.2017 11:36
- Bydliště: Ostrava
- Reputation: 0
-
od honzahs » 26.11.2017 22:26
prochazkao píše:honzahs píše:Tady to máš

Ať slouží

rolna.stl
Děkuji moc HONZO, jak se ti mohu odvděčit?
Rád pomůžu, když to jde. A nechci nic

Musíme si pomáhat

Rebel II, Rebel SCUBE 300x300x475, Rebel SCUBE MultiMaterial(4) 350x220x210
Mám o kolečko víc

-
honzahs
-
- Příspěvky: 116
- Registrován: 12.01.2017 17:43
- Bydliště: Vsetínsko, Zlínsko
- Reputation: 0
od prochazkao » 27.11.2017 11:06
Ahoj kluci, tak jsem vytiskl první variantu od Honzy a jediný rozměr, který mi podle výkresu sedí je výška pouzdra.
Ostatní průměry jsou přesně o jeden mm menší...
Tak teď nevím, kde se stala chyba. Jestli mám chybu já někde v tisku... zatím všechno co jsem tiskl, mi rozměrově přesně sedělo.. Kalibrační výtisk na 5Kč padne jako prdel na hrnec přesně na desetinku. Tak já nevím.
Poradíte prosím??
Děkuji Ondra
-
prochazkao
-
- Příspěvky: 181
- Registrován: 02.10.2017 11:36
- Bydliště: Ostrava
- Reputation: 0
-
od Otomar » 27.11.2017 11:18
Oměřoval sem to ted v inventoru a ty průměry sou o milimetr menší. Holt, práce kvapná, neplatilo pouze pro druhý model
Nebo jsou to technologické přídavky na obrábění

Customized REBEL II, direct HEVO, sCube, Voron Trident, Voron0.1, Custom Pinky Bear project & Neje 30W laser engraver
-
Otomar
-
- Příspěvky: 637
- Images: 0
- Registrován: 20.12.2014 11:24
- Bydliště: JMK
- Reputation: 0
od honzahs » 27.11.2017 11:25
Hele kontroloval jsem to než jsem to dal ven. Možná chyba v exportu. Odpoledne na to mrknu. Nezdá se mi, že bych se všude utnul o 1mm.
Rebel II, Rebel SCUBE 300x300x475, Rebel SCUBE MultiMaterial(4) 350x220x210
Mám o kolečko víc

-
honzahs
-
- Příspěvky: 116
- Registrován: 12.01.2017 17:43
- Bydliště: Vsetínsko, Zlínsko
- Reputation: 0
od prochazkao » 27.11.2017 11:51
Ahoj, stane se.. nikdo není neomylný.
Měřil jsem teď na výrobku vše ještě jednou a opravdu rozměry co jsou na výšku sedí, ale všechny průměry jsou o 1 mm menší. možná mám problém já s tiskárnou. taky mi nejde do hlavy, že by byly ujeté všechny průměry.
Ale pokud to Otomar oměřoval ....a mi sedí jiné výtisky....
Díky moc za váš čas!!! a není to urgent, tak vklidu.
-
prochazkao
-
- Příspěvky: 181
- Registrován: 02.10.2017 11:36
- Bydliště: Ostrava
- Reputation: 0
-
Zpět na Poptávky
Kdo je online
Uživatelé procházející toto fórum: Žádní registrovaní uživatelé a 1 návštěvník