Zdravím. Nekamenujte mne, ale toto fakt není moje parketa.
Pořídil jsem tuto desku a drivery s tím, že přejdu na Rebelu na 24V. Zatím jedu Mega +Ramps. Bohužel mi asi asi odešel jeden z driverů, takže jsem si řekl, že tam zatím dám ten Fysetc S6 na 12V než mi dorazí zbytky 24V výbavy.
Dan má na Google disku nějaký firmware pro tuhle desku včetně konfigurace pro BLTouch, což by asi mohlo být ono nebo základ na rekonfiguraci. Ale ...
1. problém: Jak na tu desku nahrát ten firmware.
Nainstaloval jsem VS Code a do něj Platformio ... a tady jsem skončil. Ta instalace vykazuje nějakou chybu. právě v instalaci toho Platformia. Je to asi známá chyba, jenže ani jedno z řešení, jak to opravit mi nefunguje. Navíc mi to hází i druhou chybu PIO Home server. Já to v tý angličtině prostě nedávám a přes překladač je to úplně zmatený. Alespoň pro mne. Existuje způsob jak to tam dostat nějak jinak.
2. problém: Vůbec netuším jak to pak zkompilovat a nahrát na tu desku,
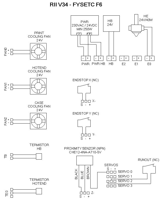
3. problém: Nikde jsem nenašel zapojení. Motory jsou jasný, předpokládám zapojení oba motory Z na jeden driver. End stopy X a Y ty snad taky, BL Touch signál je na Z endstopu, ale kam patří napájení jsem neobjevil.
Poradí někdo , aby neotravoval jen Dana? Děkuji.
Pravděpodobně by to pomohlo nejen mně.
